Minn Kota All Terrain 40at Owners Manual

Posted on  by  admin
Minn Kota All Terrain 40at Owners ManualMinn kota all terrain specs

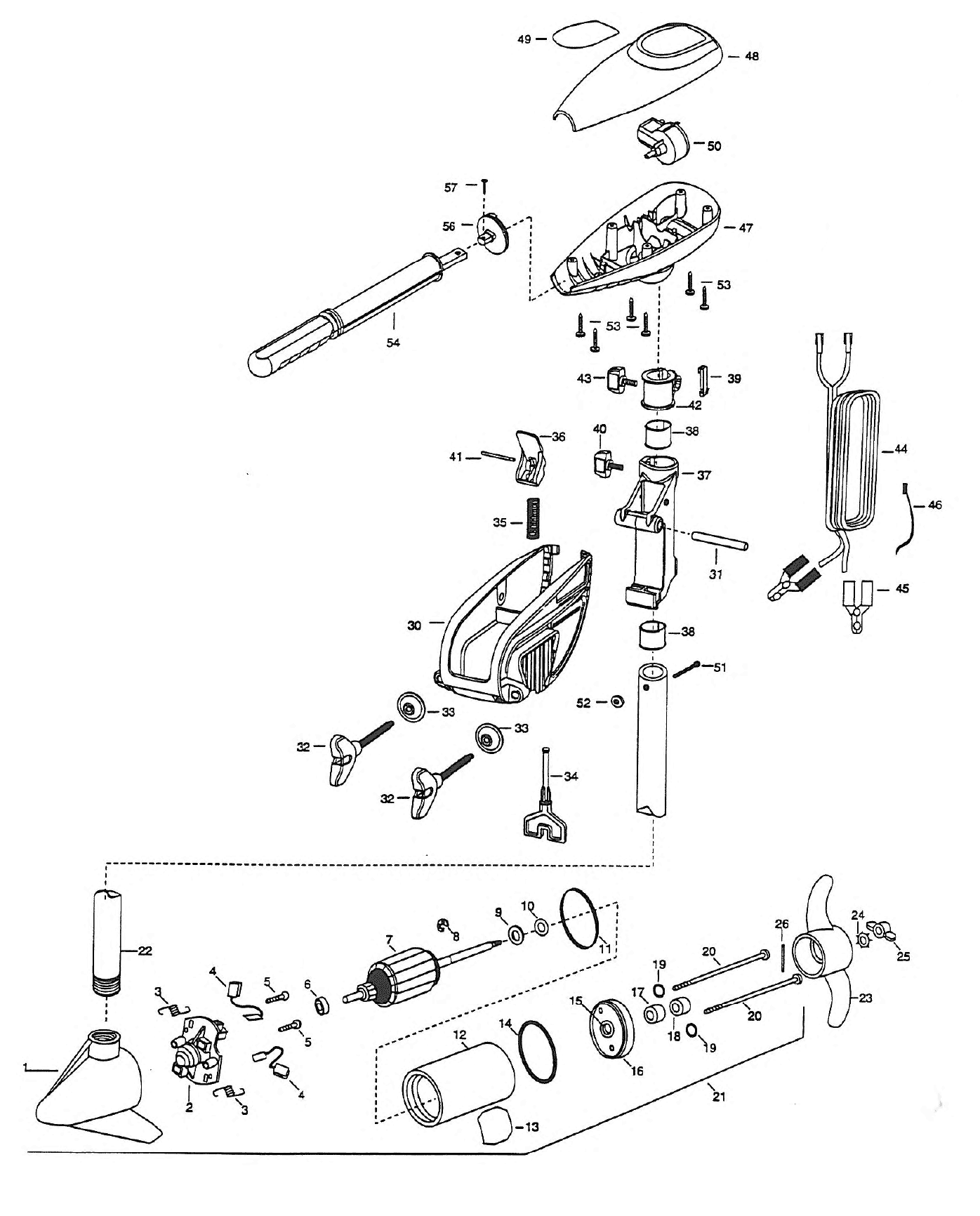
Minn Kota 40at Parts Diagram

Terrain

Minn Kota All Terrain 40

Click here to enter:.

Dale crane obituary. This test guide offers current test questions. Airframe Test Guide 2017: The 'Fast-Track' to Study for and Pass the Aviation ASA Test Prep.

Coments are closed